Logo

Fujitsu General Australia

Welcome
Login  Sign up
Home Solutions

How can we help you today?

Login or Signup to submit a new ticket
Check ticket status
1300364484
Solution home Fujitsu Staff (external) Technical information

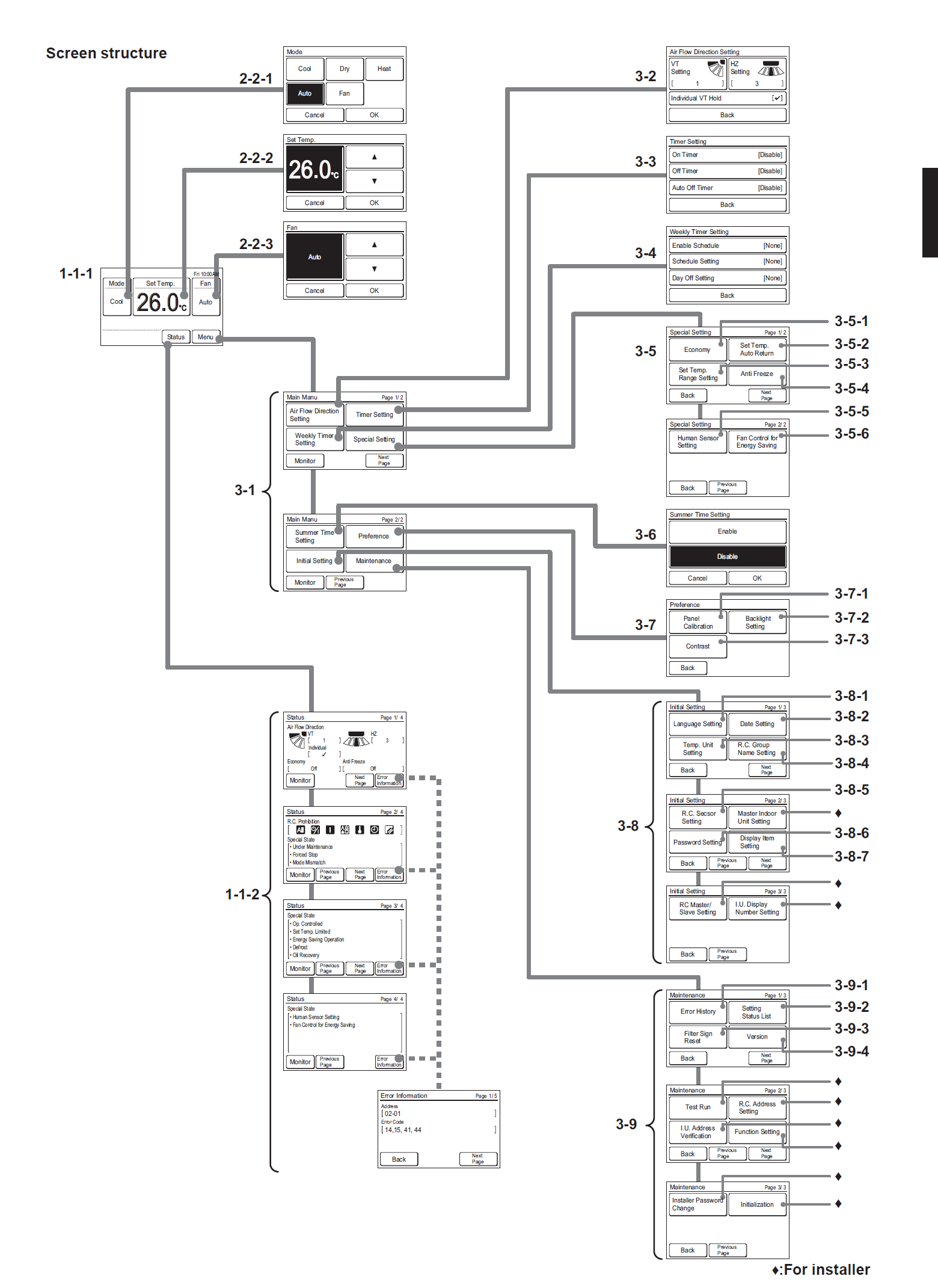
UTY-RNRYZ* 2 wired remote screen structure Print

Modified on: Tue, 22 Jun, 2021 at 8:29 AM




















pdf
Operation Ma...
(18.9 MB)

Did you find it helpful? Yes No

Send feedback
Sorry we couldn't be helpful. Help us improve this article with your feedback.

Related Articles

    Home Solutions
    Article views count